Thèmes : économie, histoire, sciences, société.
Conférence du mardi 12 Janvier 1982.
Monsieur SIRE fait remarquer que les adhérents du Cercle ont déjà entendu beaucoup de conférences sur les sources actuelles de l’énergie ; il devenait nécessaire de se placer dans le futur de l’an 2000 et d’établir une vue d’ensemble de ces différentes sources. Pour cela, il fit appel à Monsieur LEMAIGNAN.
Monsieur LEMAIGNAN, Garchois, directeur de l’Information et des Relations Extérieures à Total – Compagnie Française des Pétroles, devant une soixantaine de personnes, par un exposé très clair et remarquablement synthétique, nous a conviés à une réflexion en commun sur les problèmes de l’énergie du futur ; quelles seront leurs places, comment les aspects politiques, sociologiques, humains de ces problèmes agiront-ils sur les solutions à apporter ?
Avant de commencer sa conférence, il nous a conseillé un certain nombre de livres et de revues :
- les énergies nouvelles de Jean-Claude Colly (Ed. Fayard), dont il souligne le caractère très objectif.
- Énergie – La Voie française (ministère de l’industrie).
Le premier de ces livres se trouve à la bibliothèque du Centre Culturel Municipal.
- Total Information 1980 n°83 (mis à la disposition du public par Monsieur LEMAIGNAN).
- Dépliant Total (à la disposition du public).
Le programme énergétique du Gouvernement actuel, proche de celui de l’ancien Gouvernement, en diffère sur deux points : la part du nucléaire, la part du charbon.
Puis vient la projection d’un film.
I. PROJECTION OU FILM : LE TRÉSOR NOIR.
Ce film nous retrace, grâce à de très belles images, la formation de la Terre. (Matières en fusion, vagues qui déferlent …)
Puis la vie est apparue avec le plancton, les algues, les plantes, les animaux aquatiques (Poissons – Batraciens), terrestres (Reptiles – Oiseaux – Mammifères) et « l’homme qui fait, l’homme qui sait », « l’homme qui sait qu’il sait et en même temps connaît le doute sur son destin ».
Jusqu’à ces temps derniers, l’avenir n’était pas vraiment inquiétant ; la nature et les richesses de la Terre semblaient inépuisables : charbon, pétrole, matières premières, métaux, pierres de toutes sortes …
Mais voilà que les hommes, qui se comptent par milliards, s’interrogent : Combien de pétrole encore ? à quel prix ?
Il faut tant d’énergie pour tous ; les hommes qui ont pris goût à la lumière à toute heure, à la vitesse, à la chaleur en toute saison, à tant de produits consommables, à leurs commodités, à leur bien-être, consomment de plus en plus d’énergie.
Mais il reste des trésors à exploiter : chaleur du sous-sol, force du vent et de la mer, puissance des atomes, du soleil.
L’homme, s’il devient plus sage, s’il réussit l’alliance entre la nature dont il a besoin et le progrès auquel il aspire, trouvera peut-être les moyens de sa survie.
II. SITUATION ACTUELLE EN FRANCE.
1. Généralités.
Sur le graphique est représentée la ventilation de la consommation des différentes formes d’énergie en France en 1972.

Le tableau suivant nous montre le bilan des énergies en 1980 ainsi que les prévisions pour 1990.
| 1980 | 1990 | ||||
| Plan Giraud | Plan Socialiste | Rapport Hugon | |||
| (début 80) | (fin 80) (1) | (fin 80) (1) | (09/81) (1) | ||
| Charbon
Pétrole Gaz Hydraulique Energies nouvelles Nucléaire Millions de TEP Hypothèse de croissance |
19% 54% 12% 8% 0% 7% 188,6 3,5% |
14% 28% 17% 5% 6% 30% 242 5% |
19% 31% 17% 5% 7% 21% 230 5% |
17% 32% 13% 6% 5% 27% 232
|
|
| Ancien Gouvernement | Nouveau Gouvernement | ||||
TEP = Tonne d’équivalent pétrole.
(1) Dates auxquelles les plans ont été établis.
En résumé, on peut dire que dans une dizaine d’années les différentes sources d’énergie représenteront :
| Pétrole 30% | Règle proche du tiers. |
| Nucléaire 30% | |
| Charbon + gaz nucléaire 30% | |
| En. Hydraulique + énergies nouvelles 10% |
Monsieur LEMAIGNAN pense que ces nombres sont optimistes au niveau du charbon et du gaz, pessimistes au niveau de l’énergie hydraulique et des énergies nouvelles.
Il pense également que l’on peut faire ce que l’on veut au sujet de l’énergie ; c’est avant tout une question de prix et de politique.
Les personnes qui sont contre le nucléaire ont bien souvent, certes, une attitude respectable et pleine de bonne foi, mais qui est due à « des mythes, à des croyances, à un sentiment, et certes à l’association faite avec les bombes nucléaires ». Or on oublie que l’énergie nucléaire est l’une des énergies les plus sûres.
Pour l’actuel, il serait sage, en évitant les gaspillages, d’amener la consommation à 230 millions de T.E.P. et de la maintenir à ce niveau en 1990 (alors que l’extrapolation de la consommation conduisait à 300 MT.E.P.).
2. Place des différentes sources d’énergie.
a. Pétrole.
ESSO porte une lourde responsabilité dans le prix du pétrole. En effet, aux U.S.A., il fallait consommer de plus en plus de pétrole. Autour des années 1960, le grand patron d’ESSO a refusé d’augmenter légèrement le prix du pétrole alors que les pays producteurs de pétrole le demandaient.
En Octobre 1973, l’O.P.E.P. (voir conférence de Monsieur OUDINET) augmenta le prix du pétrole de 20 à 30%.
En 6 mois, il augmenta de 50%.
A cette époque, la France fit beaucoup d’efforts au niveau de l’énergie nucléaire.
En 1979, le prix du pétrole fut multiplié par 2,5.
Depuis 1973, il a été multiplié par 12 à 15.
Les pays consommateurs ont donc essayé de diminuer la demande, en faisant des économies d’énergie, en trouvant de nouvelles sources d’énergie, et en recherchant des gisements de pétrole sur « des zones politiques sûres » ; mais les techniques de recherche et d’exploitation sont de plus en plus coûteuses, ce qui fait que la stabilité des prix ne durera pas.
b. Nucléaire.
- L’énergie nucléaire est indispensable à la France, au moins pour une certaine phase de transition.
- Le prix de revient du kilowattheure fourni par le nucléaire est à peu près égal à la moitié du prix de revient du kWh fourni par des centrales au fuel et les deux tiers du prix de revient du kWh fourni par des centrales au charbon.
| En centimes | 1972 | 1978 | 1979 |
| Coût du kWh d’origine nucléaire Coût du kW h thermique fuel Coût du kWh thermique charbon |
3,85 4,2 – |
10,4 14,1 12,6 |
12,3 20,5 17,8 |
NB : kWh – kilowatt-heure est une unité d’énergie ; elle est la quantité d’énergie dépensée par un appareil d’une puissance d’un kilowatt fonctionnant pendant une heure. Avec 1 kWh de gaz on peut élever de 1°C la température de 860 litres d’eau. 1000 kWh = 0,2222 tep.
- L’énergie nucléaire est l’une des formes de production d’énergie les plus sûres du point de vue sécurité ; on ignore les graves accidents (la plateforme retournée en Mer du Nord qui a provoqué la mort de 120 personnes … montre le danger de l’exploitation du pétrole en mer).
- Le développement de l’énergie nucléaire pose cependant un problème politique grave, car il va en sens inverse de l’effort de décentralisation actuel.
Les centrales nucléaires, gigantesques, ne peuvent être multipliées à la surface du territoire ; elles sont nécessairement centralisées en quelques points. - Il subsiste le problème des déchets.
3. Charbon.
Le retour à une utilisation massive du charbon importé pose des problèmes financiers considérables pour les transports terrestres, maritimes, les installations portuaires …
Le charbon national est un problème politique et social.
Le développement des mines coûte très cher mais ne serait-ce pas une solution pour résoudre une partie du problème du chômage ?
Actuellement, le charbon national est plus coûteux que le charbon importé.
| 1946 | 1958 | 1968 | 1978 | |
|
Production Effectifs fond |
47,5 Mt 211189 |
59 Mt 142670 |
43,5 Mt 80754 |
21,2 Mt 31738 |
Évolution de l’Industrie houillère depuis 1946
4. Gaz naturel.
Il y a des millions d’années, des organismes vivants microscopiques en suspension dans l’eau de mer (le plancton) se sont déposés au fond des océans en bordure des continents.
Les couches sans cesse renouvelées de ces organismes, mêlées à des particules rocheuses, ont fini par constituer une masse, la roche mère qui peu à peu a laissé suinter du pétrole et du gaz naturel qui se sont en général accumulés dans les roches magasins. Le plus souvent le gaz moins lourd occupe la partie supérieure de la « roche magasin », le pétrole, la partie moyenne et l’eau salée, la basse. Il arrive aussi que le gaz naturel soit seul.
Le gaz naturel est un mélange dont le constituant principal est le méthane (CH4). C’est une énergie primaire, c’est à dire provenant directement de la nature (comme le charbon et le pétrole).
Au nombre des qualités spécifiques du gaz naturel, vient en tête sa propreté et sa non toxicité. Mais il pose un problème au niveau du transport (la pose des gazoducs coûte extrêmement cher). Les réserves sont considérables.
5. Les énergies nouvelles ou renouvelables.
a. Énergie solaire.
De toute évidence, Monsieur LEMAIGNAN lui attache beaucoup d’importance.
L’énergie solaire présente l’intérêt d’être une énergie universellement disponible ; mais elle l’est à des degrés divers selon les pays et, pour un même pays, entre les régions : c’est ainsi qu’en France, l’énergie totale reçue annuellement par m2 varie, selon les régions de 100 à 1900 kWh.
Sur le schéma n°1 sont représentées les principales « filières » solaires.
Avant de les passer en revue, citons une énergie très classique dont on a peu l’habitude de parler lorsqu’on parle d’énergie solaire. Il s’agit de l’énergie électrique hydraulique, énergie fournie par l’eau que le soleil a pompé dans les océans, qui s’est amassée dans les ruisseaux, lacs de montagne … et accumulée derrière les barrages à la fonte des neiges.
Malheureusement cette énergie en France est presque complètement utilisée sous réserve des petites centrales au fil de l’eau qui posent divers problèmes : risques de pollution, gestion de l’électricité …
Les autres filières sont l’utilisation directe du soleil à travers un vitrage : les serres par exemple.
-
Le chauffe-eau solaire (schéma 2).

SCHÉMA 2
C’est actuellement l’utilisation la plus simple et la plus rentable de l’énergie solaire. Il en existe beaucoup déjà en Israël et au Japon. En France, ils commencent à se répandre dans le Sud de la France où ils sont fabriqués en petite série ou artisanalement.
-
Maisons solaires (schémas 3-4).
Elles restent encore très disgracieuses.
La contribution de cette énergie dans le domaine de l’habitation peut jouer un rôle très important. En effet l’énergie utilisée uniquement pour le chauffage des locaux d’habitation représente 30% de la consommation totale d’énergie du pays alors que l’énergie utilisée pour les transports représente seulement de 15 à 16%.

SCHÉMA 3 : Maison solaire équipée de capteurs à eau
Cette vue montre de façon schématique le principe de fonctionnement d’une maison chauffée (en tout ou en partie) à l’énergie solaire grâce à des capteurs à circulation d’eau. (La vue suivante montre des maisons réelles de ce type : Aramon, Le Havre).
On distingue trois circuits indépendants :
- Le CIRCUIT PRIMAIRE part des capteurs solaires (placés sur le toit ou en façade) et aboutit à une cuve de stockage, souvent enterrée sous la maison ou dans le jardin.
L’eau est additionnée de glycol pour éviter le gel et circule en circuit fermé. - Le CIRCUIT CHAUFFAGE aboutissant aux radiateurs situés dans les pièces (ou planchers chauffants).
- Le CIRCUIT EAU CHAUDE SANITAIRE qui fournit l’eau chaude à la salle de bains et à la cuisine.

A B
SCHÉMA 4 : Maison solaire procédé à air (Trombe-Michel)
A. Schéma hiver (circuit fermé).
B. Schéma été (circuit ouvert).
Dans ce procédé le fluide caloporteur est l’air chaud. Le stockage de chaleur (de courte durée) est réalisé par un épais mur de béton dont la face avant, exposée au sud et peinte en foncé, capte les rayons solaires.
Un système de volets mobiles permet de régler le débit d’air ou même de l’inverser en été pour rafraîchir la maison au lieu de la chauffer.
Ce procédé a l’avantage d’être peu coûteux mais pose des problèmes de régulation et nécessite une architecture très particulière.
Ses inventeurs, Messieurs Trombe et Michel, cherchent actuellement de nouveaux types de capteurs soit intégrés dans les toits, soit en façade du sous-sol, la maison étant alors surélevée.
-
La biomasse.
C’est la masse des végétaux qui constitue un stockage naturel de l’énergie solaire. Elle présente, au moins pour le long terme, deux avantages appréciables : d’une part l’importance du gisement puisque 0,5% de l’énergie reçue du soleil est transformée en biomasse par la photosynthèse ; d’autre part la biomasse constitue par elle-même le stockage nécessaire à toute utilisation de l’énergie solaire.
Les utilisations de l’énergie solaire se répartissent en 3 familles :
a. combustion directe des produits végétaux (bois).
– fermentation (production d’alcools, de méthane…)
– production de substances élaborées à haute valeur énergétique directement utilisées comme matière première dans l’industrie.
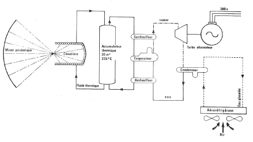
b. centrales électriques (Odeillo) (schéma 5), qui ne sont pas encore au point.
c. énergie photovoltaïque (schéma 6) ; la lumière donne directement du courant électrique.
Cette forme d’énergie reste encore très coûteuse les sondes spatiales l’utilisent.
-
Formes indirectes :
- L’énergie éolienne. Il s’agit d’une énergie intermittente, à caractère aléatoire. Les éoliennes sont très bruyantes et posent des problèmes de solidité et de résistance des matériaux ; celle d’Ouessant s’est disloquée.
- L’énergie des vagues et de la houle.
- L’énergie thermique des mers basée sur le principe qu’au fond des mers l’eau est à une température de 4°C tandis qu’à la surface, elle peut atteindre dans certains pays 20 à 25°C ; une turbine est installée entre la source froide et la source chaude.
L’énergie solaire sera sûrement. pense Monsieur LEMAIGNAN, l’énergie du 21ème siècle dans la mesure où efforts de recherche seront effectués.
A l’ère du pétrole se substitue l’ère du soleil.

Four solaire d’Odeillo : Vue générale
Ce four solaire, construit en 1970 reste encore unique au monde. Odeillo près de Font-Romeu en Cerdagne est un des hauts lieux de la recherche solaire française.
Dès les années cinquante, sous l’impulsion remarquable du professeur Félix Trombe du CNRS, un premier four solaire avait été installé non loin de là à Mont-Louis. (D’autres travaux étaient menés à l’époque à l’Université de Dakar par le professeur Masson).
N.B. C’est au pied de ce four solaire que furent construites les premières maisons solaires (à circulation d’air) qu’habitent toujours de nos jours des chercheurs du CNRS.

Four solaire d’Odeillo utilisé comme centrale électrosolaire expérimentale
SCHÉMA 5 Schéma de principe de la Centrale Solaire de 64 kWe d’Odeillo.

SCHÉMA 6 : Coupe d’une photopile
Les photopiles sont constituées de disques de silicium étiré de 3 à 9 cm de diamètre et de 300 microns d’épaisseur. Leur fabrication en usine demande un travail de haute précision qui les rend coûteuses. Elles sont vendues en panneaux rassemblant quelques dizaines d’éléments.

Fonctionnement d’une photopile
Si un photon (particule de lumière) vient frapper la zone de transition, il est susceptible d’arracher un électron à un atome de silicium, en créant à sa place un trou. Entrainés par le champ électrique, le trou va se déplacer vers le côté P et l’électron vers le côté N.
Ces deux mouvements inverses correspondent à des courants électriques de même sens, les charges étant opposées.
b. La géothermie.
Le gradient de température normal au sein de la Terre est d’environ 25°C/km de profondeur. Si la température ambiante est de 15°C, on peut prévoir qu’un forage quelconque d’un kilomètre de profondeur atteindra une température de 40°C.
On peut distinguer 3 catégories principales de gisements géothermiques : gisement hydrothermique à dominante liquide, pétrothermique (roc chaud et sec), et géopressurisé.
Certains logements sont actuellement chauffés par cette méthode.
c. La pompe à chaleur.
C’est le dispositif des réfrigérateurs = dans ceux-ci le fluide pompe des calories dans l’appareil et les rejette à l’extérieur ; on obtient du froid et la chaleur rejetée est perdue ; dans la pompe à chaleur, on récupère ces calories.
6. Conclusion.
Toutes les formes d’énergie sont complémentaires les unes des autres.
Il faudra faire attention de ne plus retomber dans les erreurs précédentes, c’est à dire « au tout nucléaire » ou « au tout pétrole » …
Les combustibles liquides conserveront une place essentielle notamment pour les transports.
Il faut comprendre que l’époque d’énergie bon marché est terminée, et donc apprendre à considérer l’énergie comme une denrée rare qu’il y a lieu d’économiser et surtout de ne pas gaspiller.
7. Projection d’un film : l’énigme des fonds.
Ce film nous transporte à 2350 m de profondeur dans un sous-marin de poche, à 80 km au large de Toulon.
Le but de cette expédition est de voir s’il est possible de trouver du pétrole à de telles profondeurs.
Mais le sous-marin tombe en panne et tout un système de survie et de secours est mis en route.
Ceci fut le prétexte pour nous présenter le travail de chaque équipe susceptible d’intervenir dans cette expédition.
Cet exposé a beaucoup intéressé le public qui a vivement applaudi Monsieur LEMAIGNAN, auquel Monsieur SIRE a présenté ses remerciements pour un exposé très clair, synthétique et fort bien illustré.
Découvrez + de 1100 textes des conférences du CDI sur le site du CDI de Garches
Vos commentaires et vos conseils, contribuent à l’amélioration de nos parutions.
Vous disposez de l’espace « COMMENTAIRES » ci-dessous pour les exprimer.
Merci et à bientôt pour votre prochaine visite.


Laisser un commentaire