Thèmes: Sciences, Economie, Sortie-Visite
Sortie – Visite du mardi 26 mai 1981
Soixante membres du de Documentation et d’Information ont passé un long après-midi à la Centrale Nucléaire de Saint-Laurent des Eaux, à 159 Km de Paris, près de Beaugency, sur les bords de la Loire.
Avant d’aborder le compte rendu de la visite, nous croyons utile de présenter, en conclusion des nombreuses conférences consacrées à l’énergie, quelques aspects de deux sources d’énergie : le pétrole et l’uranium.
Retardé au cours des années 60 par la concurrence pétrolière, le développement de l’Energie électronucléaire est aujourd’hui économiquement justifié, sa position vis à vis de celle provenant du pétrole étant devenue très compétitive.
Certes, l’investissement nécessaire à la réalisation d’une centrale nucléaire demeure supérieur d’environ 65% à celui d’une unité à combustible fossile de même puissance.
Les frais d’exploitation des centrales nucléaires (personnel, entretien, charges fiscales, etc.) sont pour l’instant, légèrement plus élevés par kilowatt installé et par an ; mais cette différence est appelée à disparaître avec l’accélération du programme d’investissement. Le coût de la chaîne de production depuis la mine jusqu’au traitement, y compris les amortissements des équipements et des usines, est aujourd’hui moins lourd que celui de l’industrie des hydrocarbures.
Cet avantage doit même être considérablement accentué avec la mise en service des réacteurs surgénérateurs, dont l’intérêt majeur réside précisément dans leur faible consommation d’uranium naturel.
L’Energie nucléaire électrique peut être qualifiée aujourd’hui d’industrielle, le « combustible » ayant une faible incidence financière, alors que l’électricité thermique au fuel, au charbon ou au gaz, est une énergie provenant de ressources naturelles, dont le prix est largement fonction de celui de la matière première utilisée.
L’Uranium naturel est géographiquement et politiquement mieux réparti dans le monde que le pétrole, et de façon assez favorable à la France.
Les ressources en uranium naturel étaient estimées, en 1974, pour :
- les U.S.A. à 730.000 tonnes,
- le Canada à 308.000 tonnes,
- l’Australie à 160.000 tonnes,
- la France à 60.000 tonnes,
- l’U.R.S.S. entre 80.000 et 270.000 tonnes,
- la Chine entre 20.000 et 100.000 tonnes.
Les facilités de stockage sont le grand atout de cette matière première, ne posant ni problème d’espace, ni difficulté financière.
Ces capacités de stockage sont un facteur essentiel de la sécurité d’approvisionnement énergétique, en période de crise ou de simple soudure du cycle de la production à celui de la consommation.
ATTENTlON !
L’uranium est un « combustible » fossile, donc épuisable ; si on compare les réserves aux besoins prévisibles résultant des plans de développement accéléré, on peut craindre un épuisement des réserves d’uranium vers l’an 2000 ; mais des espoirs, venant d’autres techniques, sont permis.
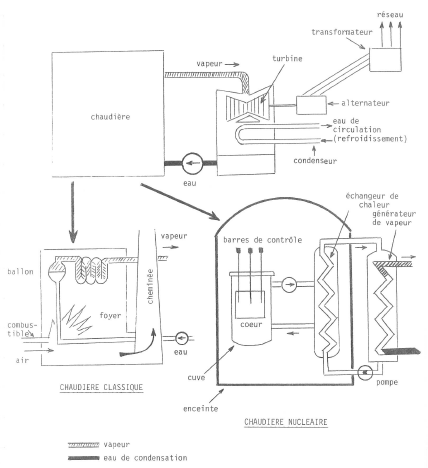
Une comparaison qui nous paraît utile (fig. 1)
Les chaudières classiques convertissent l’énergie chimique (du charbon, du fuel, du gaz) en énergie thermique.
Lorsque l’énergie de départ est l’énergie nucléaire, pour la même énergie d’arrivée thermique, on utilise encore le terme de « chaudière ».
Le tableau ci-dessous montre les analogies et les différences :

Dans les deux cas, chaudières mises à part, les centrales se ressemblent :


fig. 1. SCHEMA GENERAL D’UNE CENTRALE ELECTROGENE CLASSIQUE ET NUCLEAIRE
Dans les deux cas, le générateur de vapeur joue le même rôle.
Les deux temps de la visite.
La visite s’est effectuée en deux temps :
Tout d’abord un film explique le principe de marche du réacteur nucléaire, puis la visite des installations.
En réalité, l’usine a deux centrales, appelées tranches A et B.
La date de mise en service de ces tranches est 1969 et 1971.
La puissance électrique est de presque 1000 MWe.
- LE FILM.
On peut décrire la réaction nucléaire comme le tir d’un projectile sur une cible. On dispose de neutrons comme projectiles et des atomes d’Uranium 235 comme cibles.
La réaction de fission est une réaction nucléaire particulière qui s’obtient avec l’Uranium 235. Lorsqu’un neutron, dans certaines conditions de vitesse, atteint un noyau d’U235, ce dernier, sous le choc, a tendance à se couper en deux : deux nouveaux noyaux se créent (les produits de fission) tandis qu’en moyenne 2 neutrons et demi sont expulsés et qu’une énergie importante est libérée.
Cette réaction de fission produit, en même temps que de l’énergie thermique, de nouveaux neutrons.
L’uranium naturel contient 0,7% d’Uranium 235 fissile ; le reste est constitué par son isotope 238, non fissile, mais capable de capturer des neutrons-(fig. 2).
Les neutrons expulsés lors des réactions de fission ont une grande vitesse à leur départ : 20 000 Km/s. Ils sont alors ralentis jusqu’à 20 Km/s, vitesse à laquelle ils provoqueront de nouvelles fissions de l’U 235, mais aussi, vitesse à laquelle ils seront capturés par l’U 238. On les appelle alors neutrons lents ou thermiques. Un mélange d’U 235 et d’U 238 permet d’entretenir une réaction en chaine et de créer ainsi du combustible nucléaire.
Pour que la réaction puisse simplement se maintenir, il est nécessaire que, pour un neutron provoquant la fission, on en récupère un.
II. LA VISITE.
Nous avons visité la tranche A la plus ancienne qui fonctionne selon la technique Uranium naturel -Graphite-Gaz. C’est la filière la plus simple, adoptée initialement par l’Angleterre et la France à peu près à la mème époque.

fig. 2. LA FISSION NUCLEAIRE ET LA REACTION EN CHAINE.
Elle utilise l’Uranium naturel comme combustible, le graphite comme modérateur et le gaz carbonique sous pression comme fluide caloporteur (fig. 3).

fig. 3. FILIERE A URANIUM NATUREL, GRAPHITE, GAZ.
Rendement : 30 de l’énergie thermique est en énergie électrique.
Le combustible.
Les « pastilles » ou barres d’uranium naturel sont enfermées dans des gaines métalliques réalisées en alliage de magnésium ou d’aluminium, matériaux peu absorbants de neutrons.
On a ainsi des cartouches portant à l’extérieur de nombreuses ailettes pour favoriser les échanges thermiques par convection avec le gaz réfrigérant (gaz carbonique) (fig. 4).

fig. 4. UNE CARTOUCHE.
Elément fondamental du cœur du réacteur.
Dans tel réacteur EDF on compte 1148 canaux d’uranium ; chaque canal vertical peut recevoir 15 éléments de combustible de 60 cm de long empilés les uns sur les autres avec une masse totale d’uranium de 140 tonnes !
Le contrôle du réacteur.
Il s’agit de contrôler la réaction en chaine, de la maintenir à une certaine puissance, de l’accélérer, de la ralentir … et si nécessaire, de la stopper par mesure de sécurité.
Pour équilibrer la puissance, on introduit à l’intérieur du réacteur des éléments très absorbants de neutrons par exemple du cadmium ou un composé à base de bore.
On manœuvre ces barres de contrôle par régulation automatique en les enfonçant plus ou moins.
Les barres de contrôle ont une position critique pour laquelle la réaction en chaine est exactement maintenue ; pour augmenter la puissance, on élève un peu les barres et dès que la puissance désirée est atteinte, on replace les barres à la position critique.
Le modérateur.
Le principe des réacteurs à neutrons thermiques est de ralentir les neutrons au moyen d’éléments légers, ou modérateurs, contre les noyaux desquels les neutrons perdent l’essentiel de leur énergie, par une série de chocs élastiques.
A Saint-Laurent des Eaux, le modérateur est constitué par un empilement de blocs de graphite pur dont le poids total est de 2000 tonnes. Des canaux verticaux y sont aménagés dans lesquels sont enfilées les cartouches du combustible.
La vitesse des neutrons est considérablement ralentie (20 Km/sec) ; ils deviennent des neutrons « thermiques » susceptibles de briser le noyau d’uranium 235.
Le réfrigérant.
A Saint-Laurent, on utilise le gaz carbonique (C02) sous une pression comprise entre 15 et 50 bars (un bar = pression atmosphérique de 75cm de mercure).
Il circule dans des canaux mis en mouvement par des soufflantes entraînées par des turbines.
Il traverse le cœur à l’entrée, sa température est de 360°C, à la sortie de 400°C environ.
Les échangeurs de chaleur.
Le gaz carbonique chaud (400°C) est envoyé dans un générateur de vapeur d’eau (échangeur).
La vapeur, sous la pression de 31 bars, est envoyée vers les turbines qui actionnent les alternateurs.
Le caisson.
Le réacteur nucléaire est enfermé dans une enveloppe de béton précontraint, de grande épaisseur, résistant à des pressions élevées et recouvert d’une peau métallique interne ; ce qui donne un ensemble de taille imposante.
La salle des machines.
Nous sommes arrivés à la salle des machines.
A la chaudière est associée une installation de production comportant :
- une turbine, qui, par détente, transforme l’énergie thermique contenue dans la vapeur en énergie mécanique utilisable sur l’arbre du groupe turbo-alternateur.
- un alternateur, accouplé à la turbine, transforme l’énergie mécanique en énergie électrique.
- un condenseur, fait d’un faisceau de tubes, parcourus par l’eau de circulation de la Loire (source froide). L’eau de condensation est reprise par des pompes d’extraction et renvoyée, à l’aide des pompes, en haute pression vers les générateurs de vapeur.
- un poste de préchauffage élève la température de l’eau envoyée aux générateurs de vapeur.
Ce réchauffage se fait avec de la vapeur prélevée sur celle de la turbine (nos schémas n’indiquent pas ce poste de préchauffage).
La puissance totale de St Laurent des Eaux (A et B) atteint 1000 MWe.
En 1969, les 8 réacteurs de la mème filière avaient produit 60 milliards de kWh.
Le refroidissement de la vapeur sortant d’une turbine nécessite au niveau des condenseurs d’importantes quantités d’eau froide.
Il faut 40 m3 d’eau/s pour une tranche de 1000 mégawatts.
Cette eau se réchauffe environ de 8 à 10° dans le condenseur avant de retourner à la source froide d’où elle a été prélevée. A Saint-Laurent des Eaux, l’eau est prélevée directement dans la Loire dont le débit moyen est de 600 à 700 m3 par seconde. Si le débit du fleuve devenait insuffisant, on arrêterait la centrale.
Ces eaux, une fois utilisées, sont rejetées en aval. La réglementation interdit que l’eau du fleuve atteigne, au point de rejet, 30°C.
La seconde tranche B, construite ultérieurement, est équipée de tours réfrigérantes. C’est la différence de densité des colonnes d’air à l’intérieur de la tour (air chaud) et à l’extérieur (air atmosphérique) qui permet l’ascension de l’air. Les faibles écarts de température disponibles, et par suite de densité, nécessitent l’emploi de tours de très grande hauteur ; 160 mètres. Celle de St Laurent n’a que 143 mètres de hauteur et le tirage est alors obtenu à l’aide de nombreux ventilateurs axiaux, à grand diamètre de roue. Mais cela provoque une augmentation de la puissance électrique consommée par les auxiliaires de la tranche (puissance de ventilation).
La première salle visitée était donc celle des machines auxiliaires.
Ensuite nous sommes arrivés à la salle de contrôle. En effet, deux ordinateurs contrôlent en permanence la bonne marche de la centrale et interviennent à la moindre alerte.
Puis, après avoir passé une tenue réglementaire, nous sommes arrivés sur la plate-forme au-dessus du réacteur.
Là, un robot, dirigé par un ordinateur, s’occupe de l’entretien du réacteur. Son travail consiste à changer les barres d’uranium défectueuses, ou les barres de contrôle. Le bouchon hermétique d’un poids d’une tonne cinq cents est ôté ; la machine munie de barillets garnis de barres remplace le matériel endommagé (elle se fournit elle-même dans les magasins si une pièce vient à manquer) et emmagasine le matériel irradié qu’elle va rejeter dans une « conduite noire » qui mène à l a piscine.
Afin que nulle irradiation n’échappe pendant le travail, la machine est dotée d’une immense cloche en plomb qui isole la surface nécessaire à la manœuvre.
Dans notre visite, en équipes de 8, nous avons été guidés par des ingénieurs de haute qualité et d’une très grande amabilité.
Merci à E.D.F.
Découvrez + de 1100 textes des conférences du CDI sur le site du CDI de Garches
Vos commentaires et vos conseils contribuent à l’amélioration de nos parutions.
Vous disposez de l’espace « COMMENTAIRES » ci-dessous pour les exprimer.
Merci et à bientôt pour votre prochaine visite.

Laisser un commentaire