Thèmes : Economie, Géographie, Sciences.
Conférence du mardi 24 avril 1984.
Monsieur Guy de St Maur est docteur en chimie-biologie. Il a été attaché scientifique à l’ambassade de France à Washington de 1968 à 1970, responsable des relations internationales au C.N.E.X.O. (Centre National pour l’Exploitation des Océans) de 1970 à 1984. Il est actuellement secrétaire adjoint au ministère de l’industrie et de la recherche.
I. – GÉNÉRALITÉS.
L’océan recouvre 70% de notre planète avec une superficie de 336 millions de km2 soit 750 fois celle de la France.
Depuis les nouveaux règlements mis en vigueur à la conférence internationale sur le droit de la mer, 10,6 millions de km2 sont sous influence française (20 fois sa surface terrestre).
Les étapes importantes dans le domaine de l’exploitation des océans sont :
1872 : une corvette britannique, le Challenger, fait le tour du monde et découvre les nodules polymétalliques.
Le Prince Albert de Monaco sillonne les mers et participe à la recherche océanographique.
– 1943 : le Commandant Cousteau met au point un scaphandre autonome.
– 1960 : le bathyscaphe Trieste se pose à 11000 mètres de profondeur dans la fosse des Mariannes.
Petit à petit, on passe de la notion d’océanographie (description de l’océan) à celle d’océanologie (connaissance des océans).
– 1967 : création du C.N.E.X.O.
– Actuellement : utilisation pour la recherche océanographique, de submersibles et de satellites.
II. RESSOURCES VIVANTES DE LA MER.
. La pêche
65 millions de tonnes par an de poissons sont pêchés dans le monde. Les spécialistes estiment que l’on peut atteindre sans « abimer » l’océan 100 millions de tonnes. (fig. 1,2).
Les Français mangent 16 kg de poissons par an, soit sensiblement la moyenne mondiale, les japonais 34 kg.
Dans la mer vivent le phytoplancton (tout ce qui est microscopique et du règne végétal) et le zooplancton (tout ce qui est microscopique et du règne animal).
1000 kg de phytoplancton produisent 100 kg de zooplancton, puis 10 kg de petits poissons, enfin 1 kg de gros poissons. Les gros poissons ont donc mangé les petits qui ont mangé le zooplancton lui-même nourri du phytoplancton. Le rendement est faible, comparable cependant à ce qui se passe dans une prairie.
. La recherche.
Pour accroître ces ressources et en créer d’autres, de nombreuses recherches ont été effectuées dans le monde :
– sur les remontées d’eaux froides :
ce sujet de recherche est important. L’exemple « d’el nino » illustre bien l’importance de ces recherches. Deux courants circulent au large du Pérou, l’un froid et l’autre chaud appelé « el nino ». Ce dernier a bifurqué par rapport à sa route habituelle faisant périr une grande quantité de plancton, surtout végétal, qui vivait au confluent des deux courants. Le Pérou pêchait, en 1969, 12 millions de tonnes d’anchois (Angraulis) par an. En une année, la production est passée à 4 millions de tonnes et l’année suivante à 1 million de tonnes.
Il est à noter que les zones les plus riches en poissons sont les zones froides (de l’Atlantique Nord et de l’Océan arctique …).
– sur la gestion rationnelle des stocks :
des règlements pour la conservation des espèces ont été instaurés : la C. E. E. a pris des mesures conservatoires transitoires pour des cas urgents et a, par exemple, interdit la capture du hareng en mer du Nord et en mer Celtique. De même la pêche du saumon a été interdite au large du Groenland où ce poisson se reproduit.
– sur les nouvelles ressources :
une nouvelle espèce de crevettes a été exploitée dans l’océan arctique : le krill.
Des recherches sur le thon sont effectuées par les français. On étudie également l’intensité des fronts thermiques (rencontre des eaux chaudes et des eaux froides), ce qui permet de déterminer le moment du passage des bancs de poissons.
– sur l’aquaculture :
puisque les ressources naturelles en matière vivante de l’océan mondial ne sont pas illimitées, il est logique d’essayer de les accroître par l’aquaculture d’espèces judicieusement choisies, de la même façon que, sur les continents, l’agriculture a succédé à la pratique de la simple cueillette des produits sauvages.

Fig. 1. Au crépuscule, près de Weligama, sur la côte méridionale de Ceylan, des pêcheurs sur échasses jettent leurs lignes à sardines dans le ressac : leur technique n’a pas changé depuis des siècles.

Les Chinois, bien avant la naissance du Christ, ont été les premiers à employer cette méthode.
Actuellement les Japonais sont très en avance dans le domaine de l’aquaculture.
La production mondiale d’aquaculture s’est élevée en 1977 à 8 millions de tonnes. En 1985 on espère atteindre 25 millions de tonnes.
En Polynésie le C.N.E.X.O. possède un centre de recherches. On y élève en particulier une certaine variété de crevettes d’eau douce (voir conférence sur l’aquaculture du 15 février 1983).
– sur le repeuplement :
en 1964, on pêchait dans la rade de Brest 6000 tonnes de coquilles St Jacques. En 1979, ce chiffre est tombé à 50 tonnes. Cette chute est due à la surpêche.
Des petites coquilles St Jacques sont maintenant élevées, protégées dans des enceintes de façon à repeupler la rade.
– sur la transplantation d’espèces :
la transplantation n’est pas toujours facile. En France, on pensait transplanter des algues géantes poussant au large du Chili et de la Californie (60 cm par jour) mais de gros problèmes d’envahissement risquent de se poser.
– sur la biologie marine :
le dauphin est l’animal le plus rapide dans l’eau grâce à son profil et à la structure de sa peau qui sont tels que les forces de frottement sur son corps sont minimes. Les américains cherchent actuellement à fabriquer un matériau se rapprochant le plus possible de la structure de la peau du dauphin. Ainsi des applications intéressantes pourraient être faites sur les bateaux, avions … (mais aussi sous-marins, torpilles).
On vient de découvrir dans le Pacifique par 3000 mètres de profondeur, des bactéries qui vivent auprès de sources jaillissant à 350° uniquement à partir de l’énergie chimique qu’elles trouvent dans les sources d’eau chaude. Ainsi, ces communautés hydrothermales pourraient représenter un cas unique sur notre planète : un système écologique qui est apparu et se maintient indépendamment de l’énergie solaire et de la photosynthèse.
– sur l’océanographie médicale :
la mer recèle à peu près toutes les substances pharmacologiques. Il y a quelques années, un hôpital parisien expérimentait des coraux pour des greffes osseuses.
III. – LES RESSOURCES MINÉRALES DE LA MER.
-
Sel marin :
l’exploitation des ressources minérales de l’Océan mondial a été très anciennement pratiquée, mais seulement en ce qui concerne les substances qui existent à l’état dissous, c’est-à-dire les sels, principalement le chlorure de sodium (dont l’usage domestique tend de plus en plus à être éclipsé par les applications que peut en tirer l’industrie chimique) et d’autres sels comme le chlorure de magnésium.
35 millions de tonnes par an de chlorure de sodium sont recueillies dans le monde. Il existe près de 2500 installations.
La France est à la pointe dans ce domaine. Elle a construit en Arabie Saoudite une usine permettant de satisfaire aux besoins en eau douce d’une ville d’un million d’habitants.
-
Hydrocarbures (pétrole et gaz) :
ce type de ressources minérales est le seul qui, à l’heure actuelle, fasse l’objet d’une exploitation importante. La prospection sous-marine de gisements nouveaux est actuellement poussée très activement sur le plateau et le talus continental de nombreuses régions du monde, principalement, bien entendu, celles où existent des gisements sur les terres émergées voisines. Ainsi, la part représentée par le pétrole et le gaz offshore est un quart de la production mondiale (fig. 3).
Fig. 3. Le pétrole sous la mer
-
Nodules polymétalliques :
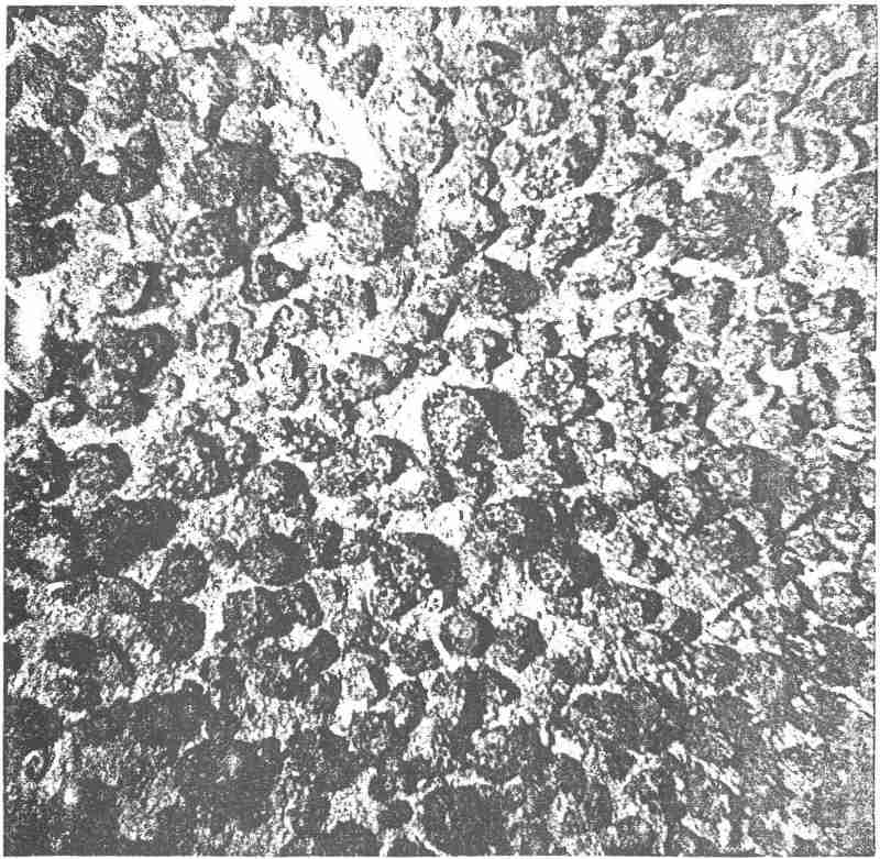
des consortiums s’intéressent depuis quelques années aux nodules polymétalliques découverts en 1872 lors de la croisière du HMS Challenger et qui tapissent certaines plaines abyssales du Pacifique et de l’Océan Indien. Quatre groupes internationaux sont dirigés par des sociétés américaines ; il existe également un groupe japonais, un indien, un russe et un français. Ces nodules riches en magnésium, nickel, cuivre et cobalt reposent par 5000 à 6000 mètres de fond, c’est là qu’il faut aller les découvrir puis les draguer et les remonter (Fig. 4, 5, 6).

Fig. 4. Nodules de Manganèse gisant sur le plancher océanique, par 5 500 m de fond, tels que les a vus une caméra de télévision russe au cours de l’Année internationale de géophysique : il se peut qu’une dent de requin constitue le noyau de ces nodules.
Fig. 5. Le collecteur de nodules imaginé par l’océanographe John L. Mero possède propulseurs, gyroscopes et flotteurs pour maintenir à la verticale du navire minier le tube d’amenée des nodules, et des caméras de télévision qui les détectent.

Les réserves du Pacifique se monteraient à 1 milliard 600 millions de tonnes. Pour que leur exploitation soit rentable, il faudrait actuellement en remonter près de 1000 tonnes par jour. Aucun pays ne peut le faire.
-
Sable et les graviers :
les graviers sont surtout exploités comme agrégats pour béton. Ils se trouvent en grande quantité sur le plateau continental français.
-
Placers :
ce type de ressources minérales, localisées sous forme de placers, proviennent de deux phénomènes :
- la gangue liée au minerai proprement dit a été dégradée et entraînée par l’érosion marine laissant celui-ci seul en place (fer, bauxite).
- la roche dans laquelle le minerai se trouvait sous forme dispersée a été complètement érodée et un triage par densité, sous l’action des mouvements marins, a amené la redéposition en des lieux différents de la gangue et du minerai (cuivre, argent, étain, or) ; l’étain sous-marin est exploité en Indonésie).
La recherche de tels placers sous-marins implique une connaissance approfondie non seulement des courants et de la sédimentation dans la région considérée, de la marge continentale, mais encore de la géologie et des ressources des terres émergées. Sur ce dernier point, citons l’exemple des sédiments marins aurifères au large de l’Alaska et surtout celui de l’exploitation des diamants sur le plateau continental de l’Union sud-africaine, exploitation qui s’est avérée très rentable.
-
Boues métallifères :
on peut citer la découverte récente en certains points du fond de la Mer Rouge, de larges nappes d’eau à la fois sursalée et surchauffée par des émanations profondes et dont la teneur élevée en divers métaux (zinc, cuivre, plomb) laisse entrevoir des possibilités d’ordre économique.
IV. – LES GRANDES RÉALISATIONS DE LA GÉOLOGIE MARINE MODERNE.
Le concept de l’expansion des fonds océaniques et l’hypothèse de la dérive des continents forment un ensemble homogène appelé la tectonique des plaques (voir conférence sur les volcans du 10 décembre 1983).
V. – LES RESSOURCES ÉNERGÉTIQUES.
-
– L’énergie des marées :
elle a été utilisée depuis des temps reculés, là où l’amplitude de celles-ci est suffisante, comme le prouvent par exemple les nombreux moulins à marées des côtes bretonnes. Le principe extrêmement simple, consiste à laisser s’emplir, pendant le flux, un bassin dont l’écoulement, au reflux, actionne une roue à aubes. L’usine marémotrice de la Rance, avec ses groupes bulbes, est un exemple d’utilisation moderne de l’énergie tirée des marées pour obtenir de l’énergie électrique.
D’autres usines pourraient être construites sur des rivages affectés par de fortes marées si la topographie du site s’y prêtait et qu’un bilan énergétique ait été établi.
En effet, pour que l’opération soit rentable, la force de l’onde de marée ne doit pas être trop affaiblie par les prélèvements que l’usine effectue.
-
L’énergie thermique :
le principe d’utilisation avait été énoncé par E. d’Arsonval, a été l’objet d’essais, entre les deux guerres mondiales, de Georges Claude et Paul Boucherot. L’idée maîtresse consiste à faire fonctionner une machine thermique en utilisant comme source chaude l’eau à 25° ou 28°C des couches superficielles des mers intertropicales, et, comme source froide, de l’eau à 5° ou 7°C prise en profondeur (fig. 7).
Les expériences ont montré la validité du principe, mais l’application pratique s’est heurtée à des difficultés techniques, tenant notamment à la réalisation des tuyauteries amenant l’eau froide.
-
L’énergie des vagues frappant la côte :
Elle a retenu aussi l’attention malgré son caractère discontinu. De fortes vagues peuvent représenter des pressions de l’ordre de 7 kg/cm2 et des vitesses d’impact dépassant 200 km/h.

Fig. 7. Utilisation de l’énergie thermique des océans dans une usine thermique où l’on essaie d’exploiter les différences de température entre la surface et le fond marins. Les eaux chaudes superficielles sont amenées par pompage (A) à chambre supérieure ; sous vide partiel, elles se mettent à bouillir, et la vapeur, amenée dans la chambre inférieure, entraîne au passage la turbine (B) productrice d’énergie (génératrice D). La différence de température créatrice de vide est déterminée par le pompage d’eau froide (C) dans un serpentin de condensation. La vapeur condensée est éliminée par pompage (E).
Des diverses solutions proposées, on peut retenir celles qui font appel à des dispositifs mécaniques, soit que l’on cherche à faire tourner une sorte de rotor, soit que l’on utilise les mouvements verticaux du plan d’eau à l’intérieur d’un puits communiquant avec la mer pour faire mouvoir un flotteur. En fait, les divers essais pour capter l’énergie des vagues, qu’on peut classer parmi les énergies « sauvages », n’ont jamais donné lieu qu’à des installations modernes, et celles-ci ont toujours été plus ou moins rapidement détruites par la corrosion et par les excès mêmes des forces qu’elles prétendaient domestiquer.
- L’énergie produite par les centrales nucléaires au bord de la mer.
- Le méthane produit par les algues. Des « fermes » d’algues vont être créées aux U.S.A.
- L’énergie du Gulf Stream. Ce courant se déplace à 5 ou 6 km/h.
VI. – LA POLLUTION
La pollution des milieux océaniques est certainement un des aspects les plus dramatiques de l’altération de l’environnement, non seulement en raison de l’importance de la superficie couverte par les océans, mais aussi parce que, en définitive, les polluants émis sur les terres émergées, comme dans l’atmosphère, finissent tôt ou tard par atteindre l’océan, par la voie des fleuves et du ruissellement pour les premiers, par simple chute pour les seconds. Il faut aussi tenir compte que l’océan a longtemps été considéré, en raison même de son immensité, comme la « poubelle » de la planète.
- La pollution domestique, liée au voisinage des grandes concentrations humaines est fondamentalement une pollution par des matières organiques, associées évidement à des germes pathogènes divers ; depuis la vulgarisation des détergents à usage domestique, il s’y ajoute une pollution proprement chimique.
- La pollution chimique industrielle prend les formes les plus diverses. Les retombées dues à l’emploi du plomb tétraéthyle comme antidétonnant dans les essences à haut indice d’octane représentent déjà un accroissement du plomb des océans de l’ordre de plusieurs milliers de tonnes par an. Mais les rejets directs par des industries chimiques établies sur les côtes ou sur les fleuves revêtent une importance beaucoup plus grande.
- La pollution par les hydrocarbures a acquis une triste célébrité depuis 1968 à la suite d’une série de naufrages de pétroliers et aussi de la rupture d’une tête de puits sous-marin à Santa Barbara (Californie). On se souvient également du naufrage de l’Amoco Cadix en 1978 qui inonda les côtes bretonnes. 200 000 tonnes de pétrole se déversèrent dans la mer et 260 000 tonnes de matière vivante ont été détruites.
En France le C.N.E.X.O. et le ministère de l’environnement ont développé le réseau national d’observation de la qualité du milieu marin. Des mesures physico-chimiques sont effectuées tous les jours sur 43 sites français.
VII. – DROIT DE LA MER
Le droit de la mer, ou droit des espaces océaniques, est une branche du droit international dont le but est de partager l’espace maritime et d’y réglementer les activités humaines. Au contraire du droit maritime commercial, le droit de la mer traite de l’océan en tant que volume et non plus seulement en tant que surface.
Le 10 décembre 1981, 119 pays ratifièrent une convention internationale prévoyant qu’une zone de 200 miles nautiques soit 360 km au large des côtes serait placée sous la propriété du pays riverain. Le pays est donc propriétaire des ressources vivantes et minérales de cette zone.
Pour le reste, une autorité internationale sera chargée d’attribuer des permis d’exploitation.
FILM : LA PLANÈTE BLEUE.
Un film a été ensuite projeté reprenant quelques données déjà indiquées par Monsieur de St Maur.
- Une gigantesque ressource : La planète Terre est assez mal nommée puisqu’elle est couverte pour 71% par l’océan. Berceau de la vie sur Terre cet immense capteur solaire transforme des quantités considérables d’énergie en matière vivante par phytosynthèse.
On estime que l’hydrosphère (partie liquide de la croûte terrestre) produit actuellement environ 100 milliards de phytoplancton par an, nourrit 10 milliards de tonnes de zooplancton ; 100 millions de tonnes de poissons y trouvent leur subsistance.
Actuellement, l’hydrosphère contribue seulement pour 3% à l’apport en protéines consommées par la totalité de la planète ce qui représente pourtant 70 millions de tonnes de pêche annuelle.
On a déjà cherché à améliorer le rendement naturel en développant les techniques de l’aquaculture. C’est ainsi qu’on a vu naître les premières fermes marines.
Nomade hier, le marin pêcheur est en passe de se transformer en sédentaire, alors même que l’océan arrache à leurs laboratoires terrestres les chercheurs.
Entité mystérieuse, voire redoutable, la mer a de tout temps passionné les hommes et suscité leurs terreurs.
- Un univers en mouvement : à l’origine des grands mouvements atmosphériques, la mer cache aussi des forces fabuleuses surgies de l’intérieur du globe.
Au 19ème siècle, en entraînant ses lecteurs au fond des mers, Jules Verne se fait le prosélyte d’une science nouvelle qui venait de naître : l’océanographie.
1872 : Challenger entreprend un voyage de 3 ans et demi autour du monde. A son bord 5 savants effectuent des recherches systématiques dans leurs laboratoires flottants. C’est le premier des grands navires océanographiques. C’est aussi le début des grands amateurs (Albert 1er de Monaco).
Il faut attendre la fin de la 2ème guerre mondiale pour voir apparaître les formes océanographiques modernes.
Dans cette compétition internationale, la France pour sa part s’est engagée dans l’étude du profond en se dotant d’engins de plongée et en particulier du bathyscaphe « Archimède ».
En 1967, le C.N.E.X.O., destiné à coordonner les efforts scientifiques et techniques et à préparer l’industrie pour la mise en valeur des ressources océanographiques est créé.
Les navires océanographiques comme le Suroit, utilisé pour les campagnes, sont des bâtiments de surface polydisciplinaires. Le Suroit est équipé d’un système de navigation par satellite, et d’instruments scientifiques permanents. On peut également l’aménager à volonté selon la mission. Avec un tel bâtiment, l’engin submersible Cyana peut être mis en œuvre (photo 8). Cette petite soucoupe d’exploration pour 3 personnes qui peut atteindre 3000 mètres de profondeur est extrêmement maniable. Avec une autonomie de 72 heures, une vitesse de déplacement de 5 km/h, c’est l’outil idéal pour l’observation des fonds marins. Détectant les obstacles par sonar panoramique, la capsule Cyana a déjà pris part à plusieurs grandes campagnes.

Photo 8. Submersible CYANA.
- La face cachée de la Terre : le film nous fait découvrir l’exploration d’une des chaînes de montagnes sous-marines par une expédition franco-américaine.
« Devant Cyana, s’ouvre un paysage de lave. L’analyse des prélèvements montrera qu’elle est d’origine récente. On se trouve au fond du rift, la vallée centrale qui sépare les deux versants des dorsales. Il appartiendra à Cyana d’explorer, plus spécialement l’intersection du rift et d’une faille transformante, zone de l’activité tectonique dominante qui est à l’origine des mouvements de l’écorce terrestre ».
Ainsi, c’était la première occasion de vérifier en vision directe, la théorie moderne de la tectonique des plaques.
Les matériaux basaltiques qui proviennent de la fusion partielle du manteau, se répandent de part et d’autre du rift, en renouvelant ainsi le plancher océanique. Les continents s’écartent. C’est ainsi que l’on s’explique la formation de l’océan atlantique et la dérive des continents africain et sud-américain au cours des deux dernières centaines de millions d’années. Dans les dorsales lentes du type Atlantique, la croûte s’écarte à une vitesse de 2 cm par an tandis que dans les dorsales rapides, du type Pacifique, le renouvellement de l’écorce peut atteindre 16 cm. Ici, au lieu que les continents s’écartent, les fonds océaniques replongent dans le manteau. Le mouvement ne se fait pas d’une manière continue mais par à-coups provoquant des séismes et un volcanisme important : c’est la ceinture de feu du Pacifique.
Le navire croise maintenant par 20° de latitude nord et 120° de longitude ouest à l’entrée du golfe de Californie. C’est la plongée dans la zone axiale de la dorsale Pacifique.
A bord du navire on calcule périodiquement la position du Cyana pour la communiquer aux 3 occupants.
La recherche océanique, comme l’exploitation rationnelle des océans fait appel aujourd’hui à des techniques sophistiquées pour une topographie exacte et systématique des fonds marins. Dans ce domaine, d’importants progrès ont été enregistrés en 50 ans. Les données acquises par les sondes et enregistrées sur bandes magnétiques lors de la progression du navire sont traitées par un logiciel de contour au Centre Océanographique de Bretagne.
Lorsqu’on sait qu’il faut pouvoir plonger à 4500 m pour explorer 60% des fonds océaniques et atteindre 6000 m pour en découvrir la quasi-totalité, on comprend que les scientifiques souhaitent un engin submersible dont le rayon d’action dépasse celui de l’actuel Cyana.
Dans les ateliers du C.N.E.X.O. on prépare l’avenir.
L’avenir, c’est peut-être l’exploitation systématique de nodules polymétalliques dont on prélève aujourd’hui, à 6000 m de fond, quelques échantillons recouvrant les sédiments des grandes plaines abyssales. A l’analyse, ces galets noirâtres se révèlent riches en fer, manganèse, aluminium, cobalt, cuivre, nickel. On comprend l’intérêt auprès des nations par cette découverte, mais l’exploitation industrielle des champs de nodules reste encore problématique.
La technique d’extraction du pétrole en mer bénéficie déjà de nombreuses années d’expérience.
Mais si les problèmes posés par l’exploitation d’un gisement de pétrole par 200 m de fond semblent résolus, les techniques de forage en eau profonde en sont encore à un stade expérimental.
Les perspectives nouvelles ouvertes par les grandes profondeurs ont de quoi exciter l’imagination de nouveaux Jules Verne. Mais leurs rêves ne pourront devenir réalité qu’au prix d’une technologie parfaite.
Le respect de l’équilibre marin est en effet la condition essentielle pour ne pas risquer de gâcher les chances prodigieuses qu’ouvre à l’humanité la possibilité de mettre en valeur la mer.
Découvrez + de 1100 textes des conférences du CDI sur le site du CDI de Garches
Vos commentaires et vos conseils contribuent à l’amélioration de nos parutions.
Vous disposez de l’espace « COMMENTAIRES » ci-dessous pour les exprimer.
Merci et à bientôt pour votre prochaine visite.



Laisser un commentaire